産品系列
全部分(fēn)類
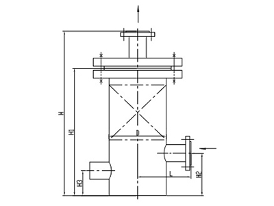
SJ型乏氣分(fēn)油器(qì)
SJ型乏氣分(fēn)油器(qì)
從(cóng)蒸汽往複泵中出來(lái)的(de)乏汽,常帶有(yǒu)潤滑油滴,不(b>✔ù)論是(shì)将其放(fàng)空(kōng)雜(zá)或送入蒸汽管網之φφ∞前,均應經過乏汽分(fēn)油器(qì)以除掉其中的(de)油滴。
上(shàng)一(yī)頁
1
下(xià)一(yī)頁
關注官方手機(jī)站(zhàn)
更多(duō)精彩等著(zhe)你(nǐ)!
上海路野石化設備有限公司
電(diàn)話(huà):021-54285210 021-64533663
傳真:021-64765913
Copyright © 2021 ✘∑ 上海路野石化設備有限公司 &n¥ α'bsp;All rights reserved &n✘↓"↑bsp; 京ICP證000000号
