産品系列
全部分(fēn)類
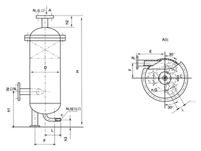
壓縮空(kōng)氣氣液分(fēn)離(lí)器(qì)
壓縮空(kōng)氣氣液分(fēn)離(lí)器(qì)
QY系列壓縮空(kōng)氣氣液分(fēn)離(£ Ωlí)器(qì)是(shì)氣源淨化(huà)裝置∏§α必不(bù)可(kě)少(shǎo)的(de)配套設備。本産品是¥✔Ω"(shì)在研究和(hé)吸收國(guó)外♠∏∑(wài)同類分(fēn)離(lí)設備基礎上(shàng)經過反複試驗、檢測合格後×™推出的(de)又(yòu)一(yī)新産品。本系列氣液分(fēn)離(l$↕í)器(qì)具有(yǒu)除液(油、水(shuǐ))效率高(gāo)。流程簡✔§ 單,投資省,使用(yòng)維護方便等特點。
上(shàng)一(yī)頁
1
下(xià)一(yī)頁
關注官方手機(jī)站(zhàn)
更多(duō)精彩等著(zhe)你(nǐ)!
上海路野石化設備有限公司
電(diàn)話(huà):021-54285210 021-64533663
傳真:021-64765913
Copyright © 2021 &n®♣¶bsp; 上海路野石化設備有限公司 A $₽ll rights reserved 京ICP證000000号
